Muitas pessoas acreditam que a única invenção de Thomas Edison foi à lâmpada elétrica incandescente,
isso porque é bem provável que você não saiba que, além disso, objetos como
caneta de tatuagem, embalagem a vácuo, rodas de borracha e até mesmo câmeras de
vídeo foram pensadas por este gênio.
Vamos acompanhar uma lista com apenas dez invenções
de Thomas Alva Edison, que foi um
inventor e cientista dos Estados Unidos que viveu entre os anos de 1847 e de
1931.
Lâmpada Elétrica Incandescente
(Fonte da imagem: Reprodução/Google Patents)
· Lâmpada
elétrica incandescente – Esse é um artigo relativamente simples, mas que
causou (e ainda causa) um enorme impacto em nossas vidas. Não importa que tipo
de lâmpada você utilize em sua casa, o fato é que o ancestral delas é a criação
do cientista estadunidense. Aliás, dá para dizer que questões envolvendo luz
elétrica foram de grande preocupação para ele, que registrou exatas 424
patentes sobre o tema. Antes de Edison, vários outros inventores tentaram criar
uma lâmpada do tipo, mas foi ele que, em 1879, conseguiu criar uma lâmpada
incandescente comercializável com um filamento de haste de carvão.
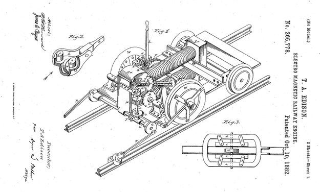
Estrada de ferro eletromagnética
(Fonte da imagem: Reprodução/Google Patents)
·
As estradas de ferros eletromagnéticas surgiram
como alternativa eficaz e limpa para a mobilidade urbana e também para o
trânsito entre cidades, estados e países em várias partes do mundo. Em 13 de
maio de 1880, Thomas Edison fazia o primeiro teste de sua estrada de ferro
elétrica em Menlo Park, nos Estados Unidos. Há mais de 130 anos, então, quando
temas como sustentabilidade e alternativas ao uso de combustíveis fósseis não
estavam tão em vogas, o cientista já iniciava uma ideia que floraria anos
depois em várias partes do mundo. As maiores cidades do planeta utilizam trens
e metrôs elétricos para levar passageiros e carga de um lado a outro.
Câmera cinematográfica
(Fonte da imagem: Reprodução/Google Patents)
·
As filmadoras modernas de hoje em dia registram e
reproduzem imagens com áudio e vídeo em alta definição e apresentam dezenas de
funções diferentes para garantir a qualidade do material produzido. Mas
voltando na árvore genealógica das câmeras mais modernas da atualidade está à câmera
cinematográfica de Edison, isso porque foi ele quem inventou ainda uma tela
para exibir as imagens que capturava em sequência e, quando reproduzidas de
forma rápida, davam a impressão de movimento — se pensarmos que os filmes
digitais estão aí há muito tempo, dá para dizer que a ideia básica de Edison
perdurou durante um longo período na indústria cinematográfica.
Bateria de carro elétrico
(Fonte da imagem: Reprodução/Google Patents)
·
Seria normal que chamassem Thomas Edison de
“homem-eletricidade”, pois a base de suas invenções era a energia elétrica.
Outra prova disso foi a concepção de baterias de níquel-ferro que ele
desenvolvia no início do século 20 e que serviam para prover energia a alguns
veículos da época. No ano de 1901, ele apresentou a bateria de níquel-ferro e
ela era mais eficiente do que as de ácido de chumbo usadas até então. Suas
vantagens eram tanto ecológicas quanto de desempenho, pois causavam menos
impacto ambiental e levavam menos tempo para serem recarregadas.
Fonógrafo
(Fonte da imagem: Reprodução/Google Patents)
·
Quem ouve as músicas que saem dos modernos alto-falantes
que o mercado dispõe hoje em dia precisa saber que o bisavô de tudo isso é o
fonógrafo. Este aparelho, que lembra muito uma vitrola antiga, foi criado em
1877 para gravar e reproduzir sons por meio de um cilindro, o primeiro do
gênero registrado pela humanidade. Edison ainda foi visionário quando projetou
reduzir o tamanho de seus fonógrafos a ponto de eles caberem dentro de bonecas
e outros brinquedos, dando mais vida a eles. Ou seja, pense na imensidão de
coisas que contam com pequenos alto-falantes e que fazem parte da nossa vida
todos os dias e a dimensão do pensamento de Edison se amplia ainda mais.
Microfone de carbono
(Fonte da imagem: Reprodução/Google Patents)
·
O microfone de carbono foi inventado entre 1877 e
1878 por Thomas Edison que deu mais eficiência a esse projeto, afinal o seu
dispositivo contava com um sistema capaz de converter som em um sinal elétrico,
permitindo que a voz fosse transmitida a longas distâncias. Sabe-se que Edison
disputou a autoria de sua patente com outro inventor, o germano-americano Emile
Berliner, mas a corte federal dos Estados Unidos garantiu a ele a autoria do
projeto. Então, até mesmo o captador de áudio do smartphone moderno que você
usa hoje tem como ancestral o microfone de carbono de Thomas Edison.
Caneta
elétrica de estêncil
(Fonte da imagem: Reprodução/Google Patents)
As marcações e desenhos na pele são comuns na
história das sociedades humanas, sabemos que atualmente isso é feito com
máquinas modernas que riscam a pele de forma precisa e competente, mas talvez
você não saiba que isso começou há 137 anos justamente com Thomas Edison. Esse
norte-americano desenvolveu uma caneta de perfuração que, a princípio, não foi
feita para desenhar na pele humana. Isso foi pensado posteriormente, em 1891,
por um inventor chamado Samuel O’Reilly, que fez algumas modificações à criação
de Edison e adicionou um reservatório de tinta.
Embalagem a vácuo
(Fonte da imagem: Reprodução/Google Patents)
·
No ano de 1881, Edison patenteou um sistema de
preservação de frutas com tecnologia a vácuo que consistia em embalar os
produtos em uma jarra. Mais de um século depois, o sistema evoluiu bastante e a
ideia básica ainda é aplicada nas embalagens a vácuo que você encontra em
qualquer supermercado. Alimentos como carnes, frutas, legumes, café e erva-mate
são alguns dos itens comumente encontra embalados a vácuo. Isso garante
alimentos livres de germes e bactérias e também assegura maior durabilidade ao
sabor do produto.
Gravador de voto eletrográfico
(Fonte da imagem: Reprodução/Google Patents)
·
A urna eletrônica brasileira e outros sistemas
digitais de votação têm como antepassado comum o gravador de voto eletrográfico
de Thomas Edison, patenteado em 1869, quando ele tinha apenas 22 anos. Essa
invenção, que foi sua primeira patente, era conectada à mesa do escriturário, e
o eleitor podia mover um tipo de metal para marcar uma das duas colunas (“sim”
ou “não”) em cada candidato. O sinal elétrico era enviado à mesa do
escriturário e, em contato com as substâncias químicas, registrava o voto.
Décadas e décadas depois, o sistema já foi analógico e agora é eletrônico, com
métodos que em tese garantem a inviolabilidade do sistema e agilizam bastante a
contagem dos votos.
Rodas de borracha
(Fonte da imagem: Reprodução/Google Patents)
·
A roda foi por muito tempo ‘considerada’ a invenção
mais revolucionária das invenções humanas, mas antes de Thomas Edison ninguém
havia registrado a intenção de cobri-las de borracha. Em sua época, os veículos
utilizavam rodas de madeira sem nenhum tipo de cobertura, o que, convenhamos,
causava sérios riscos à segurança dos passageiros. Edison então teve a ideia de
revestir as rodas de madeira com borracha, dando o pontapé inicial em algo
crucial para praticamente todo e qualquer veículo equipado com rodas nos dias
de hoje.
Nota: Thomas Edison sempre foi considerado um inventor
muito além do seu tempo – sabe-se que ele registrou 2.332 patentes em seu nome, porém esse número é muito discutível, já que todas as invenções dos empregados da Edison General Eletric foram 'registradas' em seu nome. Na verdade a maioria desses inventos não eram completamente 'originais', isso em razão dessas patentes serem compradas por Thomas Edison para serem melhoradas e desenvolvidas pelos seus numerosos empregados - o fato é que o inventor Thomas Edison sempre foi criticado por não compartilhar esses créditos.
Fonte e Sítios Consultados
https://www.tecmundo.com.br















Nenhum comentário:
Postar um comentário